深圳市翰磊贸易有限公司

产品分类
KLS
E2V
ORC
CEI
OTS
SMV
CIS
GE
NED
LKK
THK
产品详情
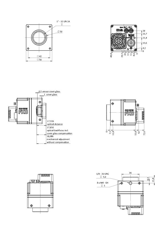
SVS-Vistek  视微力科     fxo537MCX12-2C     工业相机

SVS-Vistek  视微力科     fxo537MCX12-2C     工业相机

型号:fxo537MCX12-2C
类型:工业相机
产品详情

SVS-Vistek   视微力科     fxo537MCX12-2C     工业相机


规格
分辨率 [MP]5 百万像素
分辨率 (hxv)2448 x 2048 像素
帧速率(最大)262 帧每秒
色度单核细胞增多症
界面CXP-12 带 2 个连接
(micro-BNC)
传感器
传感器IMX537AAMJ
制造商索尼
传感器类型区域 CMOS
快门类型全局快门
传感器尺寸(高 x 宽)6.71 x 5.61 毫米
光学对角线8.75 毫米
传感器格式8.8 毫米 (1/1.8)
像素大小 (hxv)2.74 x 2.74 微米
相机
曝光模式手动;自动
触发模式内部;软件;外部
曝光时间(分钟)5 微秒
曝光时间(最大)10 秒
像素格式/最大mono8、mono12 / 12 位
增益模式手动,自动
信噪比(最大)39 dB (取决于环境)
动态范围(最大)72 dB (取决于环境)
内部存储器1024 MB SDRAM,256 MB 闪存
功能集
光学检查是的
查找表是的
抵消是的
分箱是的
图像翻转是的
阴影校正是(外部)
缺陷像素校正是的
序列发生器是的
聚CXP是的
住房
镜头卡口C 接口
尺寸(宽 x 高 x 深)50 x 50 x 70.1 毫米
重量240 克
工作温度(外壳)-10 至 60 °C
环境湿度 10 至 90% (无凝结)
防护等级IP30
滤光片/盖玻片K9-AR涂层-400-850nm
I/O 接口
输入高达 24V2 x
输入光耦1 x
输出开漏4 x
输入/输出 RS-2321 x
电源10 至 25 V(直流)
功耗13 W (取决于操作模式)




电话:0755-83512170;手机:13249819590;QQ:2577758288;邮箱:2577758288@qq.com