深圳市翰磊贸易有限公司

产品分类
KLS
E2V
ORC
CEI
OTS
SMV
CIS
GE
NED
LKK
THK
产品详情
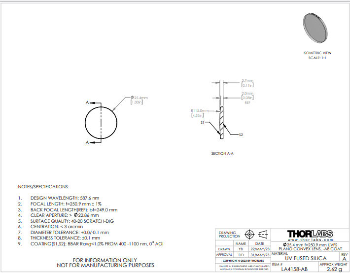
Thorlabs索雷博 LA4158-AB 平凸透镜

Thorlabs索雷博 LA4158-AB 平凸透镜

品牌:Thorlabs索雷博
产品详情


Thorlabs索雷博   LA4158-AB   平凸透镜


通用规格
可用直径5 毫米、6 毫米、1/2 英寸、1 英寸、2 英寸和 75 毫米
镜片形状平凸
基材材质紫外级熔融石英‍a
增透膜范围400 - 1100 nm(-AB 涂层)
涂层
范围内的反射率(平均)@ 0° AOI
< 1.0%
设计波长587.6纳米
折射率1.460 @ 588 纳米
表面平整度
(平面侧)
升/2
球面光焦度
(凸面)b
3升/2
表面不规则性
(峰到谷)
升/4
直径公差+0.0 毫米/-0.1 毫米
厚度公差±0.1毫米
表面质量40-20 划痕-挖掘
中心化< 3 弧分
损坏阈值c7.5 J/cm 2 (532 nm, 10 ns, 10 Hz, Ø0.362 mm)
7.5 J/cm 2 (1064 nm, 10 ns, 10 Hz, Ø0.445 mm)
阿贝数67.82
通光孔径> 直径的 90%
焦距公差±1%

4052.png




电话:0755-83512170;手机:13249819590;QQ:2577758288;邮箱:2577758288@qq.com