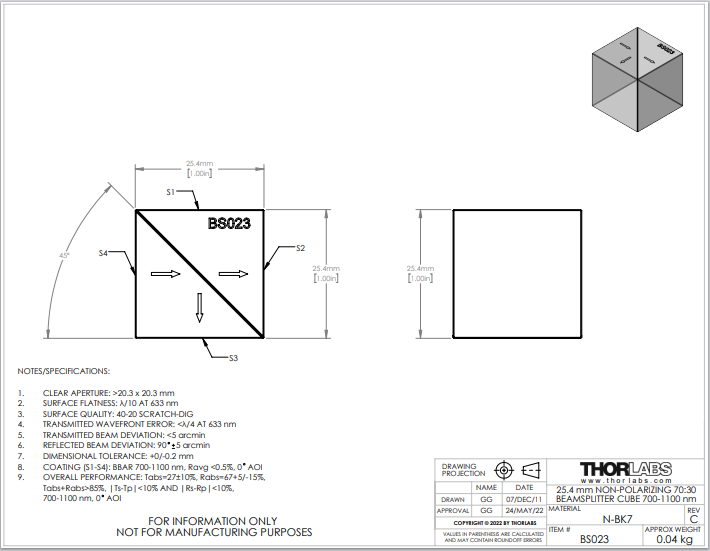
Thorlabs索雷博 BS023 70:30(R:T)非偏振分束立方
电话:0755-83512170;手机:13249819590;QQ:2577758288;邮箱:2577758288@qq.com