深圳市翰磊贸易有限公司

产品分类
KLS
E2V
ORC
CEI
OTS
SMV
CIS
GE
NED
LKK
THK
产品详情
Thorlabs索雷博 VL15S/M 可调焦透镜

Thorlabs索雷博 VL15S/M 可调焦透镜

品牌:Thorlabs索雷博
产品详情



Thorlabs索雷博    VL15S/M   可调焦透镜



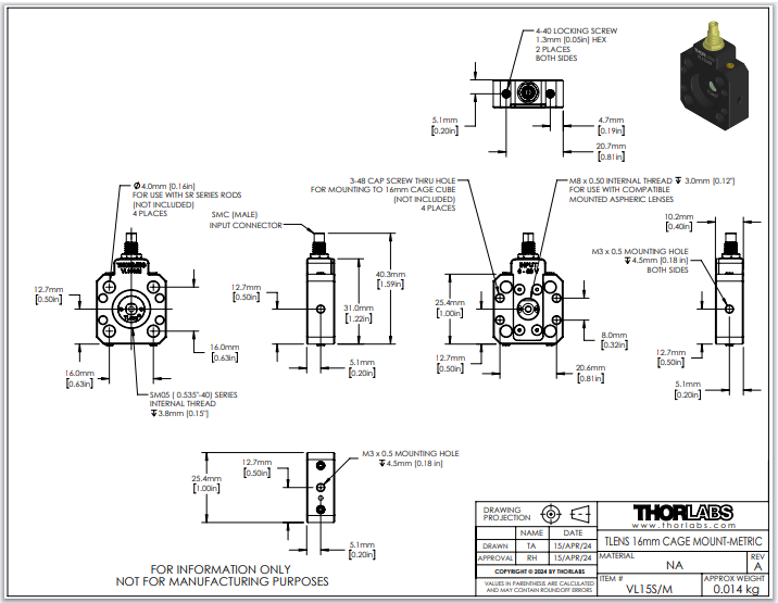
物品 #VL15S(/M)VL15C(/M)VL19S(/M)VL19C(/M)
典型机械规格
笼子尺寸16毫米30毫米16毫米30毫米
内孔SM05 螺纹SM1 螺纹SM05 螺纹SM1 螺纹
TLens® 尺寸(长 x 宽 x 厚)4.900 毫米 x 4.400 毫米 x 0.545 毫米
装配尺寸(长x宽x高)40.3 毫米 x 25.4 毫米 x 10.2 毫米54.3 毫米 x 40.6 毫米 x 10.2 毫米40.3 毫米 x 25.4 毫米 x 10.2 毫米54.3 毫米 x 40.6 毫米 x 10.2 毫米
平整度< 0.030 毫米
TLens® 重量15毫克
装配重量14克30克14克30克
输入连接器类型SMC 公头
图纸VL19S 图纸VL19C 图纸VL19S 图纸VL19C 图纸
典型光学规格
焦距范围无限远至 10 厘米无限远至 20 厘米
通光孔径 - 传感器侧bØ1.55毫米Ø1.90毫米
通光孔径 - 物体侧bØ2.00毫米Ø2.25毫米
透射波前误差 (RMS) c30纳米
平均透过率(400 至 650 nm 之间)95%
典型执行器规格
最小光功率-4米-1
最大光功率14米-19m -1
迟滞c1m -1
最大响应时间d1毫秒
0V 时的等效电容40nF25nF
操作条件
工作电压(顶部和底部电极之间)0V-50V
使用寿命内的占空比-工作电压周期10%
最小工作电压周期10 6
工作温度-20℃ - 85℃
相对湿度< 85%
绝对最大额定值
储存温度-40℃ - 85℃
施加电压(顶部和底部电极之间)-15V - 60V
施加电流<1毫安
  • 点击蓝色信息图标查看图纸。

  • 传感侧是带有Thorlabs logo和产品型号的一侧,物体侧是与之相反的一侧。

  • 从-1 dpt到9 dpt(VL15系列)或从-1 dpt到5 dpt(VL19系列)的整个工作范围

  • 系统达到最终近似值的1-1/e ≈ 63.2%的时间




电话:0755-83512170;手机:13249819590;QQ:2577758288;邮箱:2577758288@qq.com