深圳市翰磊贸易有限公司

产品分类
KLS
E2V
ORC
CEI
OTS
SMV
CIS
GE
NED
LKK
THK
产品详情
Thorlabs索雷博 LA1289-C-ML 平凸透镜

Thorlabs索雷博 LA1289-C-ML 平凸透镜

品牌:Thorlabs索雷博
产品详情


Thorlabs索雷博    LA1289-C-ML   平凸透镜


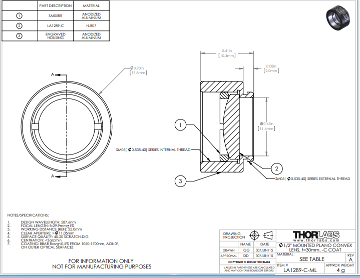
平凸球面汗衫
镜片形状平凸
基材材质(A级)a
增透膜范围1050 - 1620 nm 或
1050 - 1700 nm(-C 涂层)b

AR 涂层范围内的反射率(AOI = 0°)
R平均值< 0.5%
设计波长587.6 nm 或 633 nm b
折射率1.517(@ 587.6 纳米)
1.515(@ 633 纳米)
表面质量40-20 划痕-挖掘
表面平整度c   (平面)升/2
球面光焦度c,d
(凸面)
3升/2
表面不规则度c   (峰到谷)升/4
损坏阈值e7.5 J/cm 2
(1524 nm,10 ns,10 Hz,Ø0.123 mm)
阿贝数vd = 64.17
中心化< 3 弧分
通光孔径Ø1/2" 镜头:>Ø11.05 mm
Ø1" 镜头:>Ø22.86 mm
Ø1.5" 镜头:>Ø34.29 mm
Ø2" 镜头:>Ø45.72 mm
焦距公差±1%


1540.png




电话:0755-83512170;手机:13249819590;QQ:2577758288;邮箱:2577758288@qq.com