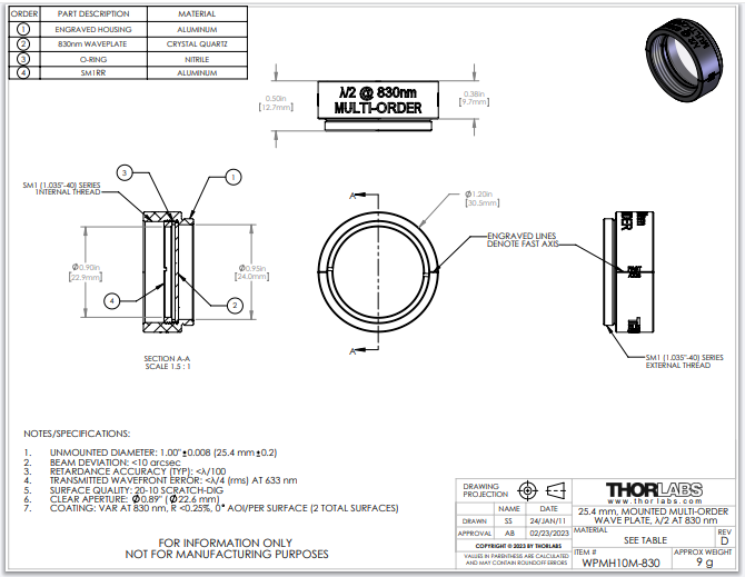
Thorlabs索雷博 WPMH10M-830 - Ø1英寸多级半波片
电话:0755-83512170;手机:13249819590;QQ:2577758288;邮箱:2577758288@qq.com