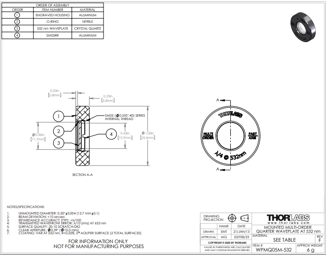
Thorlabs索雷博 WPMQ05M-532 - Ø1/2英寸多级四分之一波片
电话:0755-83512170;手机:13249819590;QQ:2577758288;邮箱:2577758288@qq.com