深圳市翰磊贸易有限公司

产品分类
KLS
E2V
ORC
CEI
OTS
SMV
CIS
GE
NED
LKK
THK
产品详情
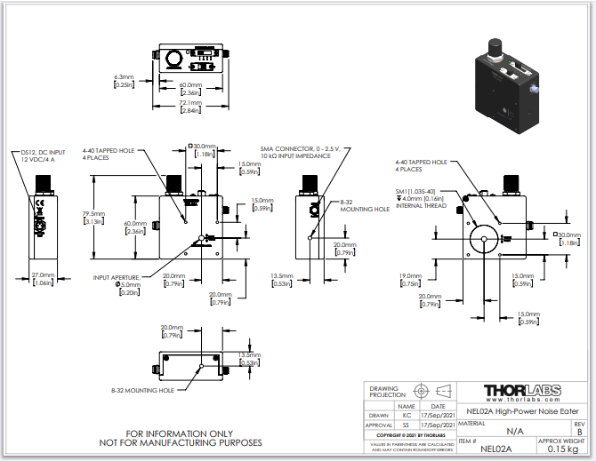
Thorlabs索雷博 NEL02A - 高功率噪声衰减器/电光调制器

Thorlabs索雷博 NEL02A - 高功率噪声衰减器/电光调制器

品牌:Thorlabs索雷博
产品详情


Thorlabs索雷博     NEL02A - 高功率噪声衰减器/电光调制器









电话:0755-83512170;手机:13249819590;QQ:2577758288;邮箱:2577758288@qq.com