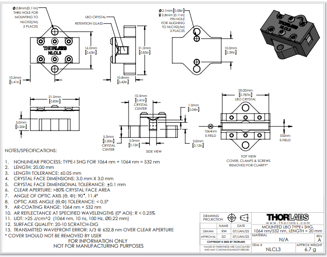
Thorlabs索雷博 NLCL3 - 已安装LBO晶体
请在规格标签中查看完整规格。
晶体表面法线和光轴之间的角度。
电话:0755-83512170;手机:13249819590;QQ:2577758288;邮箱:2577758288@qq.com