深圳市翰磊贸易有限公司

产品分类
KLS
E2V
ORC
CEI
OTS
SMV
CIS
GE
NED
LKK
THK
产品详情
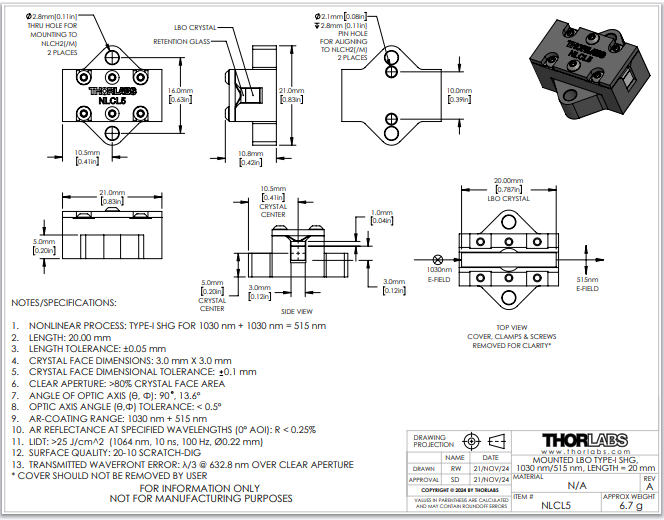
Thorlabs索雷博 NLCL5 - 已安装LBO晶体

Thorlabs索雷博 NLCL5 - 已安装LBO晶体

品牌:Thorlabs索雷博
产品详情


Thorlabs索雷博     NLCL5 - 已安装LBO晶体




关键共同规格
材料锂部落(lib 3 O 5
晶体面尺寸3.0毫米x 3.0毫米
清除光圈> 80%的水晶面积
传输波前误差λ/3 @ 632.8 nm在透明孔径上
表面质量20-10刮擦
视轴角b公差<0.5°
  • 请在规格标签中查看完整规格。

  • 晶体表面法线和光轴之间的角度。





电话:0755-83512170;手机:13249819590;QQ:2577758288;邮箱:2577758288@qq.com