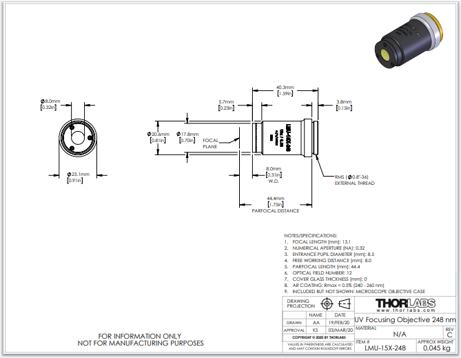
Thorlabs索雷博 LMU-15X-248 - MicroSpot聚焦物镜
电话:0755-83512170;手机:13249819590;QQ:2577758288;邮箱:2577758288@qq.com