深圳市翰磊贸易有限公司

产品分类
KLS
E2V
ORC
CEI
OTS
SMV
CIS
GE
NED
LKK
THK
产品详情
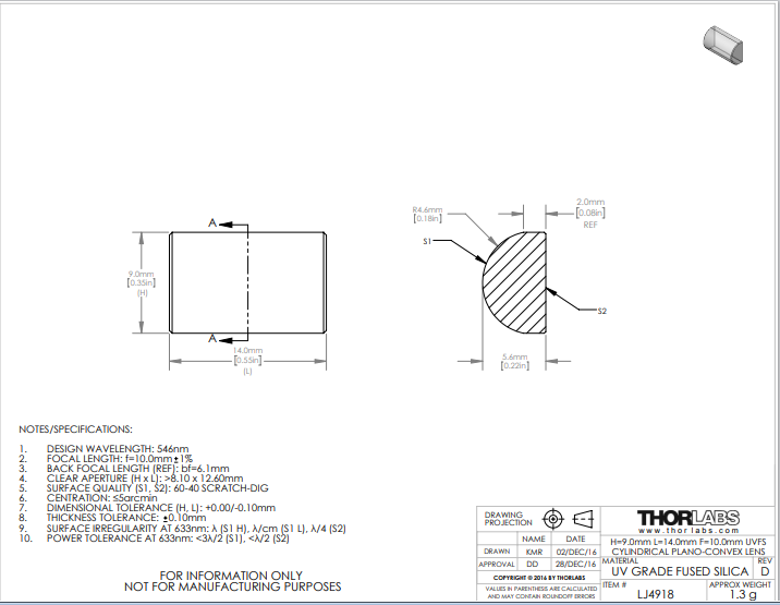
Thorlabs索雷博 LJ4918 平凸柱面透镜

Thorlabs索雷博 LJ4918 平凸柱面透镜

品牌:Thorlabs索雷博
产品详情

Thorlabs索雷博     LJ4918   平凸柱面透镜


通用规格
材料UV级熔融石英‍a
波长范围未镀膜:185 nm - 2.1 µm
-UV 镀膜:245 - 400 nm
-A 镀膜 350 - 700 nm
-B 镀膜:650 - 1050 nm
-C 镀膜:1050 - 1700 nm
设计波长546纳米
宽带增透膜反射率bR平均值< 0.5%
长度/高度公差+0.00/-0.10 毫米(未涂层和 -UV 涂层)
+0.0/-0.1 毫米(-A、-B 和 C 涂层)
中心厚度公差±0.10 mm(无涂层和 -UV 涂层)
±0.1 mm(-A、-B 和 -C 涂层)
焦距公差±1%
表面质量60-40 划痕-挖坑
中心化f ≤ 50 毫米:≤5 弧分
f > 50 毫米:≤3 弧分
表面平整度
(平面侧)
高度< λ/2
长度< λ/2
柱面光
焦度c
(凸面)
高度< 3λ/2
长度< 3λ/2
不规则性
(峰到谷)
高度(平面、曲线)升/4,升
长度(平面、曲线)λ/4, λ/厘米
通光孔径>90% 的表面尺寸






电话:0755-83512170;手机:13249819590;QQ:2577758288;邮箱:2577758288@qq.com