深圳市翰磊贸易有限公司

产品分类
KLS
E2V
ORC
CEI
OTS
SMV
CIS
GE
NED
LKK
THK
产品详情
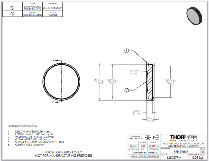
Thorlabs索雷博 LJ5027RM 平凸柱面透镜

Thorlabs索雷博 LJ5027RM 平凸柱面透镜

品牌:Thorlabs索雷博
产品详情


Thorlabs索雷博     LJ5027RM   平凸柱面透镜


常用规格
基材氟化钙 (CaF 2 ) b
设计波长4微米
焦距公差±1%
表面质量40-20 划痕-挖掘
中心化< 5 弧分
表面平整度(平面侧)升/2摄氏度
柱面光焦度d   (凸面)3升/2摄氏度


3.png




电话:0755-83512170;手机:13249819590;QQ:2577758288;邮箱:2577758288@qq.com