深圳市翰磊贸易有限公司

产品分类
KLS
E2V
ORC
CEI
OTS
SMV
CIS
GE
NED
LKK
THK
产品详情
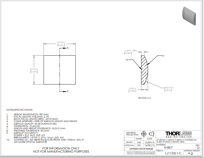
Thorlabs索雷博 LJ1125L1-C 平凸柱面透镜

Thorlabs索雷博 LJ1125L1-C 平凸柱面透镜

品牌:Thorlabs索雷博
产品详情

Thorlabs索雷博     LJ1125L1-C 平凸柱面透镜



通用规格
基材材质N-‍ BK7a
宽带增透膜b1050 - 1700 纳米

涂层范围内的平均反射率
< 0.5%
设计波长587.6纳米
长度公差+0.0 / -0.1 毫米
高度公差+0.0 / -0.1 毫米
中心厚度公差±0.2毫米
焦距公差±1%
表面质量60-40 划痕-挖坑
伤害阈值7.5 J/cm 2
(1542 nm,10 ns,10 Hz,Ø0.123 mm)
中心化对于 f ≤50 mm:< 5 arcmin
对于 f >50 mm:< 3 arcmin
表面平整度
(平面侧)
高度升/2
长度升/2
柱面光
焦度c

(凸面)
高度3升/2
长度3升/2
不规则性
(峰到谷)
高度(平面、凸面)升/4,升
长度(平、凸)λ/4, λ/厘米
通光孔径>90% 的表面尺寸


1638.png





电话:0755-83512170;手机:13249819590;QQ:2577758288;邮箱:2577758288@qq.com