深圳市翰磊贸易有限公司

产品分类
KLS
E2V
ORC
CEI
OTS
SMV
CIS
GE
NED
LKK
THK
产品详情
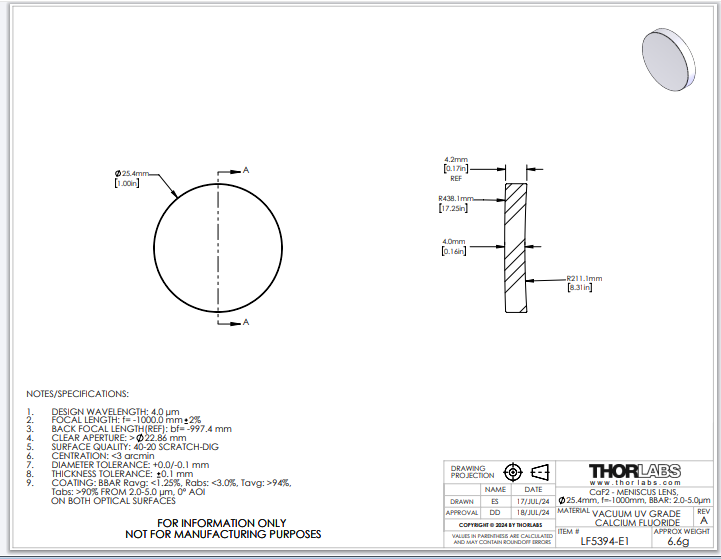
Thorlabs索雷博 LF5394-E1 负弯月透镜

Thorlabs索雷博 LF5394-E1 负弯月透镜

品牌:Thorlabs索雷博
产品详情

Thorlabs索雷博     LF5394-E1   负弯月透镜


通用规格
基材材质真空级氟化钙a
增透膜范围2 - 5 微米
增透
膜反射率范围 @ 0° AOI
R平均值< 1.25%,R绝对值< 3.0%

0° AOI 下增透膜范围内的透射率
T平均值> 94%,T绝对值> 90%
可用直径1/2" 或 1"
直径公差+0.0/-0.1 毫米
厚度公差±0.1毫米
焦距公差±2%
表面质量40-20(划痕-挖掘)
球面光焦度b3升/2摄氏度
球面不规则度
(峰到谷)
升/2摄氏度
中心化< 3 弧分
通光孔径> 直径的 90%
设计波长4微米


20241121





电话:0755-83512170;手机:13249819590;QQ:2577758288;邮箱:2577758288@qq.com