深圳市翰磊贸易有限公司

产品分类
KLS
E2V
ORC
CEI
OTS
SMV
CIS
GE
NED
LKK
THK
产品详情
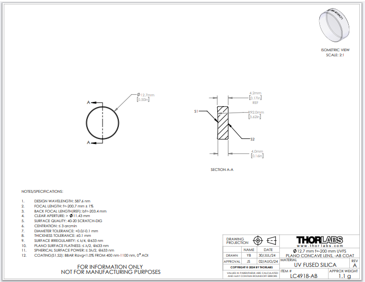
Thorlabs索雷博 LC4918-AB 平凹透镜

Thorlabs索雷博 LC4918-AB 平凹透镜

品牌:Thorlabs索雷博
产品详情



Thorlabs索雷博     LC4918-AB   平凹透镜

通用规格
镜片形状平/凹
基材材质UV级熔融石英‍a
增透膜范围400 - 1100 nm(-AB 涂层)
涂层范围内的反射率
(AOI = 0°)
R平均值< 1.0%
可用直径6 毫米、8 毫米、1/2 英寸和 1 英寸
直径公差+0.0 毫米/-0.1 毫米
厚度公差±0.1毫米
通光孔径> 直径的 90%
设计波长587.6纳米
折射率(@设计波长)1.458
表面质量40-20 划痕-挖掘
表面平整度
(平面侧)
升/2
球面屈光力
(凹面)b
3λ/2
表面不规则性
(峰到谷)
λ/4
中心化≤3弧分
焦距公差±1%
损坏
阈值c
7.5 J/cm 2
(532 nm, 10 ns, 10 Hz, Ø0.362 mm)
(1064 nm, 10 ns, 10 Hz, Ø0.445 mm)


20241120



电话:0755-83512170;手机:13249819590;QQ:2577758288;邮箱:2577758288@qq.com