深圳市翰磊贸易有限公司

产品分类
KLS
E2V
ORC
CEI
OTS
SMV
CIS
GE
NED
LKK
THK
产品详情
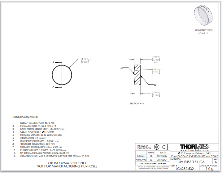
Thorlabs索雷博 LC4232-532 平凹透镜

Thorlabs索雷博 LC4232-532 平凹透镜

品牌:Thorlabs索雷博
产品详情


Thorlabs索雷博     LC4232-532   平凹透镜


通用规格
镜片形状平/凹
基材材质‍紫外级熔融石英a‍
AR V 镀膜532纳米
532 nm 处的反射率 (AOI = 0°) b绝对值< 0.25%
可用直径6 毫米、8 毫米、1/2 英寸和 1 英寸
直径公差+0.0 毫米/-0.1 毫米
厚度公差±0.1毫米
通光孔径> 直径的 90%
设计波长587.6纳米
折射率(@设计波长)1.458
表面质量20-10 划痕-挖掘
表面平整度
(平面侧)
≤λ/ 2c
球面光焦度d
(凹面)
≤3λ/ 2c
表面不规则性
(峰到谷)
≤λ/ 4c
中心化≤3弧分
焦距公差±1%
脉冲损伤
阈值e
10 J/cm 2
(532 nm, 10 ns, 10 Hz, Ø0.359 mm)



20241120




电话:0755-83512170;手机:13249819590;QQ:2577758288;邮箱:2577758288@qq.com