深圳市翰磊贸易有限公司

产品分类
KLS
E2V
ORC
CEI
OTS
SMV
CIS
GE
NED
LKK
THK
产品详情
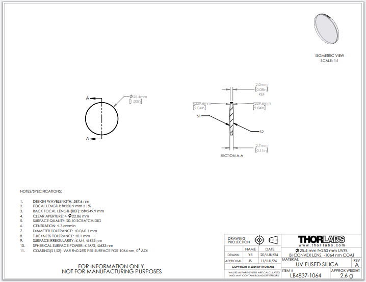
Thorlabs索雷博 LB4837-1064 双凸透镜

Thorlabs索雷博 LB4837-1064 双凸透镜

品牌:Thorlabs索雷博
产品详情

Thorlabs索雷博     LB4837-1064 双凸透镜


通用规格
镜片形状凸/凸
基材材质紫外级熔融石英‍a
增透膜范围1064纳米
1064 nm 处的反射率 (AOI = 0°)R<0.25%
可用直径Ø5 毫米、Ø6 毫米、Ø1/2"、Ø1" 或 Ø2"
直径公差+0.0 毫米/-0.1 毫米
厚度公差±0.1毫米
通光孔径> 直径的 90%
设计波长587.6纳米
折射率
1.458 @ 587.6 纳米
表面质量20-10 划痕-挖掘
球面光焦度b≤3λ/ 2c
表面不规则性
(峰到谷)
≤λ/ 4c
中心化≤3弧分
焦距公差±1%
脉冲损伤阈值d10 J/cm 2 (1064 nm, 10 ns, 10 Hz,
Ø0.446 mm)



79.png





电话:0755-83512170;手机:13249819590;QQ:2577758288;邮箱:2577758288@qq.com