深圳市翰磊贸易有限公司

产品分类
KLS
E2V
ORC
CEI
OTS
SMV
CIS
GE
NED
LKK
THK
产品详情
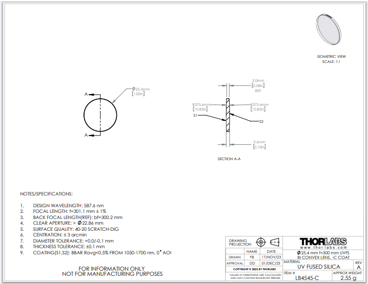
Thorlabs索雷博 LB4545-C 双凸透镜

Thorlabs索雷博 LB4545-C 双凸透镜

品牌:Thorlabs索雷博
产品详情

Thorlabs索雷博     LB4545-C   双凸透镜


通用规格
镜片形状凸/凸
基材材质紫外级熔融石英a
增透膜范围1050 - 1700 纳米
涂层范围内的反射率
(AOI = 0°)
R平均值< 0.5%
可用直径5 毫米、6 毫米、1/2 英寸、1 英寸和 2 英寸
直径公差+0.0 毫米/-0.1 毫米
厚度公差±0.1毫米
通光孔径> 直径的 90%
设计波长587.6纳米
折射率1.460 @ 587.6 nm b
表面质量40-20 划痕-挖掘
球面光焦度c3λ/2
表面不规则性
(峰到谷)
λ/4
中心化≤3弧分
焦距公差±1%
伤害
阈值
脉冲式7.5 J/cm 2
(1542 nm,10 ns,10 Hz,Ø0.189 mm)
连续350 瓦/厘米(1540 纳米,Ø1.030 毫米)



79.png





电话:0755-83512170;手机:13249819590;QQ:2577758288;邮箱:2577758288@qq.com