深圳市翰磊贸易有限公司

产品分类
KLS
E2V
ORC
CEI
OTS
SMV
CIS
GE
NED
LKK
THK
产品详情
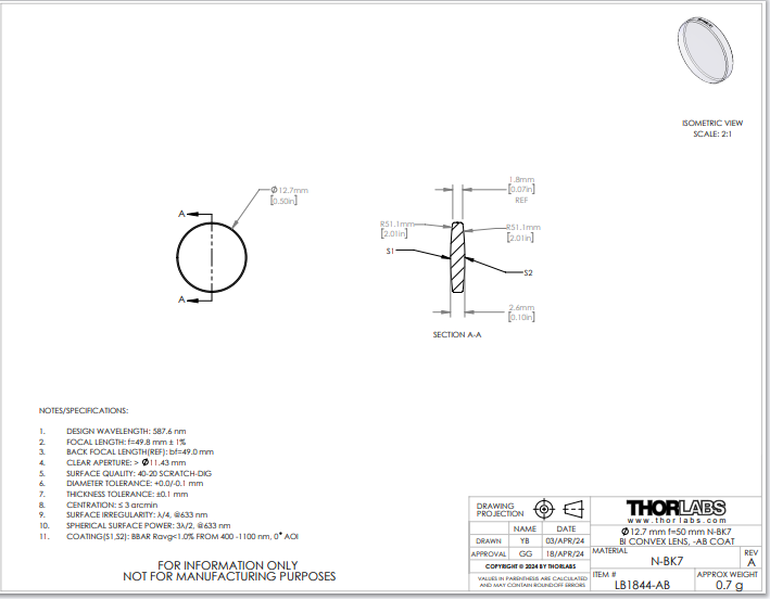
Thorlabs索雷博 LB1844-AB 双凸透镜

Thorlabs索雷博 LB1844-AB 双凸透镜

品牌:Thorlabs索雷博
产品详情


Thorlabs索雷博     LB1844-AB   双凸透镜


N-BK7 双凸球形汗衫
镜片形状凸/凸
材料N-BK7a‍ A级)
AR镀膜范围b400 - 1100 纳米
涂层范围内的反射率cR平均值< 1.0%
设计波长587.6纳米
折射率1.515(@ 633 纳米)
表面质量40-20 划痕-挖掘
球面光焦度d,e3升/2
表面不规则度d升/4
损坏阈值f@532纳米7.5 J/cm 2(10 纳秒,10 赫兹,Ø0.456 毫米)
@1064纳米7.5 J/cm 2(10 纳秒,10 赫兹,Ø0.407 毫米)
阿贝数Vd = 64.17
中心化≤3弧分
通光孔径> 直径的 90%
直径公差+0.0 毫米/-0.1 毫米
焦距公差±1%


1092.png




电话:0755-83512170;手机:13249819590;QQ:2577758288;邮箱:2577758288@qq.com