深圳市翰磊贸易有限公司

产品分类
KLS
E2V
ORC
CEI
OTS
SMV
CIS
GE
NED
LKK
THK
产品详情
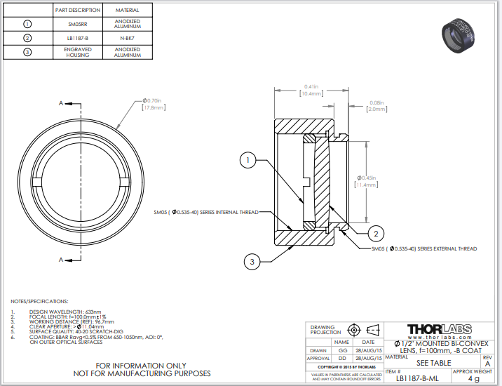
Thorlabs索雷博 LB1187-B-ML 双凸透镜

Thorlabs索雷博 LB1187-B-ML 双凸透镜

品牌:Thorlabs索雷博
产品详情




Thorlabs索雷博     LB1187-B-ML   双凸透镜


N-BK7 双凸球形汗衫
镜片形状凸/凸
材料N-BK7‍(A级)
增透膜
波长范围a
650 - 1050 纳米
AR镀膜反射率R平均值< 0.5%
设计波长587.6纳米
折射率1.517(@ 587.6 纳米)
表面质量40-20 划痕-挖掘
球面光焦度b3升/2
表面不规则度b升/4
损坏阈值c7.5 J/cm 2 (810 nm, 10 ns, 10 Hz, Ø0.144 mm)
阿贝数Vd = 64.17
中心化≤3弧分
通光孔径Ø1/2" 镜头:>Ø11.04 mm
Ø1" 镜头:>Ø22.86 mm
直径公差+0.00 毫米/-0.10 毫米
焦距公差±1%



电话:0755-83512170;手机:13249819590;QQ:2577758288;邮箱:2577758288@qq.com