深圳市翰磊贸易有限公司

产品分类
KLS
E2V
ORC
CEI
OTS
SMV
CIS
GE
NED
LKK
THK
产品详情
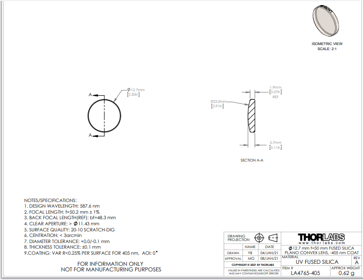
Thorlabs索雷博 LA4765-405 平凸透镜

Thorlabs索雷博 LA4765-405 平凸透镜

品牌:Thorlabs索雷博
产品详情



Thorlabs索雷博     LA4765-405   平凸透镜


主要规格
镜片形状平凸
基材材质紫外级熔融石英‍a
增透膜405 nm V 涂层
AR 涂层反射率 (0° AOI)每个表面 405 nm 处 < 0.25%
可用直径1/2" 或 1"
直径公差+0.0 毫米/-0.1 毫米
厚度公差±0.1毫米
设计波长587.6纳米
折射率
1.460 @ 588 纳米
表面质量20-10 划痕-挖掘
表面平整度
(平面)b
升/2
球面屈光力
(凸面)b,c
3升/2
表面不规则性
(峰到谷)b
升/4
损坏阈值d,e14 瓦/厘米(405 纳米,连续波,Ø1 毫米)
617 瓦/厘米(405 纳米,连续波,Ø18 微米)
中心化< 3 弧分
阿贝数67.82
通光孔径> 直径的 90%
焦距公差±1%




电话:0755-83512170;手机:13249819590;QQ:2577758288;邮箱:2577758288@qq.com