深圳市翰磊贸易有限公司

产品分类
KLS
E2V
ORC
CEI
OTS
SMV
CIS
GE
NED
LKK
THK
产品详情
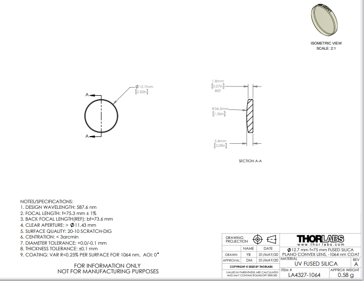
Thorlabs索雷博 LA4327-1064 平凸透镜

Thorlabs索雷博 LA4327-1064 平凸透镜

品牌:Thorlabs索雷博
产品详情


Thorlabs索雷博     LA4327-1064   平凸透镜


主要规格
镜片形状平凸
基材材质紫外级熔融石英‍a
AR V 镀膜1064纳米
1064 nm 处的反射率
(AOI = 0°)
每个表面 < 0.25%
可用直径1/2" 或 1"
直径公差+0.00 毫米/-0.1 毫米
厚度公差±0.1毫米
设计波长587.6纳米
折射率
1.460 @ 588 纳米
表面质量20-10 划痕-挖掘
表面平整度
(平面)b
升/2
球面屈光力
(凸面)b,c
3升/2
表面不规则性
(峰到谷)b
升/4
脉冲损伤阈值d10 J/cm 2 (1064 nm, 10 ns, 10 Hz, Ø0.446 mm)
中心化< 3 弧分
阿贝数67.82
通光孔径> 直径的 90%
焦距公差±1%





电话:0755-83512170;手机:13249819590;QQ:2577758288;邮箱:2577758288@qq.com