深圳市翰磊贸易有限公司
产品中心
Home
关于我们
Nav
联系我们
Contact Us
主要销售光源,UV光源,卤素光源,LED光源,LED-UV光源,特殊光源,视觉光源,工业相机,工业摄像机,高速摄像机,高端安防监控摄像机,工业镜头,光学镜头,显微镜,显微镜镜头,光源芯片,滤光片,光学滤镜,激光灯,光精密机械,光学平台,光学仪器,光谱分析仪等产品,有相关需求的可以咨询我们,我们会尽力回答。手机/微信:13249819590
产品分类
HAMAMATSU滨松
IRAYPLE大华华睿
SENTECH森泰克
IDS爱迪思
HIKROBOT海康机器人
FLIR菲力尔 灰点
IMAVISION大恒图像
BASLER巴斯勒
IMAGING映美精
USHIO牛尾
OSRAM欧司朗
EXCELITAS埃塞力达
DYMAX戴马斯
Agilent安捷伦
DALSA达尔萨
CST康视达
TAMRON腾龙
NIKON尼康
OLYMPUS奥林巴斯
SHIMADZU岛津
CHIOPT长步道
COMPUTAR康达标
COOLENS视清
RICOH理光
HOYA豪雅
WORDOP沃德普
3AM丞基技研
PPX磐鑫
OMRON欧姆龙
OPT奥普特
SVS-Vistek视微力科
SONY索尼
INOVANCE汇川
ORBBEC奥比中光
MindVison迈德威视
NORINCO北方夜视
LIOO立奥
HUAGUO华国
CAIKON蔡康
NOVEL永新
Sinpo新天
Murzider迈时迪
HAYASHI林时计
KEYENCE基恩士
AVENIR精工
YAMAKO山田
Motic 麦克奥迪
ThermoFisher赛默飞热电
Datalogic得利捷
LUSTER凌云光
ELKOSUN斯洛文尼亚
SCHOTT肖特
U-TECHNOLOGY优科
PUZHE蒲柘
PHILIPS飞利浦
HITACHI日立
analytikjena耶拿
YUMEX优美科思
KLS
Panasonic松下
UTRON优创
COGNEX康耐视
JAI皆爱
BAUMER宝盟
E2V
NARVA利华
Watec瓦特
Perkinelmer珀金埃尔默
RICOH理光
WARKOMA威科迈
USTMV优实泰
TOSHIBA TELI东芝泰力
VST微视科
ORC
CCS希希爱视
EYE岩绮
MORTEX茉丽特
AZURE浩蓝
FUJINON富士能
HERAEUS贺利氏
AVT瑷茘德
FUJINON富士能
KOWA兴和
YAMASHITA山下
CEI
PHENIX凤凰
HZTEST华周
SIGMAKOKI西格玛光机
Loudworld
DPIn
CERMAPRECISION赛玛精密
Dolan-Jenner
honle好乐
HAYASHI林时计
I-Tek埃科
ZHANJING湛京
CORRECT清和
ToupTek图谱光电
COUSZ柯依努
AVENTK昀通
BOCIC北光世纪
zolix卓立汉光
PERFECT泊菲莱
Konicaminolta柯尼卡美能达
BRIGATES锐芯微
BRUKER布鲁克
大开视界
ARTRAY
Myutron优创
FUSION辐深
BOSHIN
OLEC欧力
HITACHT日立
MORITEX茉丽特
SUMITA住田
IMAVISION大恒
PERSEE普析
Oeabt基座光学
Santec圣德科
DR.FISCHER费舍尔
LUMEN DYNAMICS路明
LESCO绿可
UVATA依瓦塔
TSUBOSAKA壶坂电机
BASLER巴斯勒
EXFO爱斯福
TFC旭光
Matrox迈创
GLIT高利通
Newland新大陆
Symbol摩托罗拉
Honeywell霍尼韦尔
Height-led海特奈德
Dali technology大立科技
Zebra斑马
TOSHIBA东芝
ALSONTECH埃尔森
FOIF苏州一光
PENTAX宾得
PLSS普林塞斯
.NPILASERS诺派激光
PHENIX凤凰光学
YUYU
SGM曙光明
贰陆光学
OTS
TRIDONIC
灿锐
ILT迈瑞
Gardasoft
TFLAMP
KOKAR
SMV
PerKinElmer铂金埃尔默
德国PI普爱
OPTEX奥泰斯
MEJIRO目白
YASKAWA安川
THEIMER天马
KUBOTEK
PLEORA
SCHIEDERWERK
CIS
HRS广濑
GSYUSA汤浅
StOpt
SUNPOWER
Light-LOTS乐视
FOSTEC费斯托
HOSOBUCHI
EXFO
Mindeo 民德
COHERENT 高意
AVANTES 爱万提斯
JINSP 鉴知
其他
Thorlabs索雷博
SSZN 深视智能
HHIT 高谱成像
Opticon 欧光
YSAT英视
GE
Mitutoyo三丰
日本mKm
明治AKUSENSE
德鸿
Senmun三铭
锐视RSEE
WATERS沃特世
NED
LKK
IEEE
gsola众森
HYBEC
VSCAM
lamplic蓝谱里克
HORIBA日本堀场
FUWO
THK
IOI映奥
MILTEC必铁
KENKO肯高
OFeiYa
Edison 爱迪生
润沃
E-VISION
FOOT SWITCB
WESTERN
LIXIANG
LIANHENG
产品详情
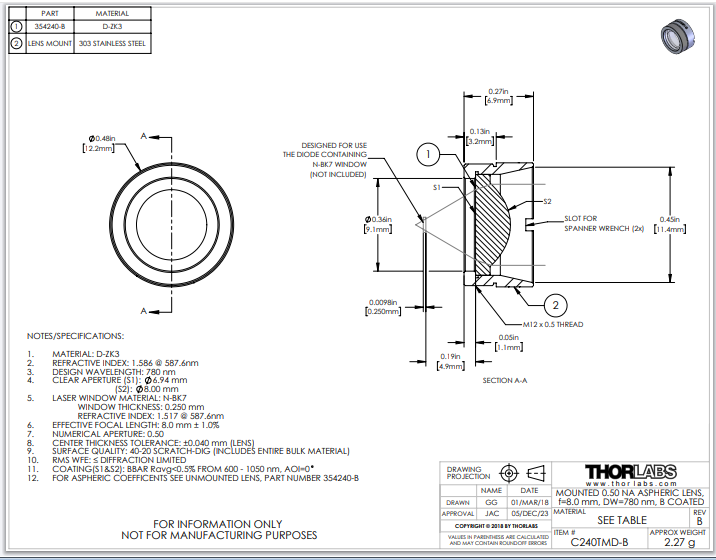
Thorlabs索雷博 C240TMD-B 非球面透镜
品牌:Thorlabs索雷博
13249819590
产品详情
Thorlabs索雷博 C240TMD-B 非球面透镜
电话:0755-83512170;手机:13249819590;QQ:2577758288;邮箱:2577758288@qq.com
分享网站
微信
新浪微博
QQ分享
QQ空间
豆瓣网
百度贴吧