深圳市翰磊贸易有限公司

产品分类
KLS
E2V
ORC
CEI
OTS
SMV
CIS
GE
NED
LKK
THK
产品详情
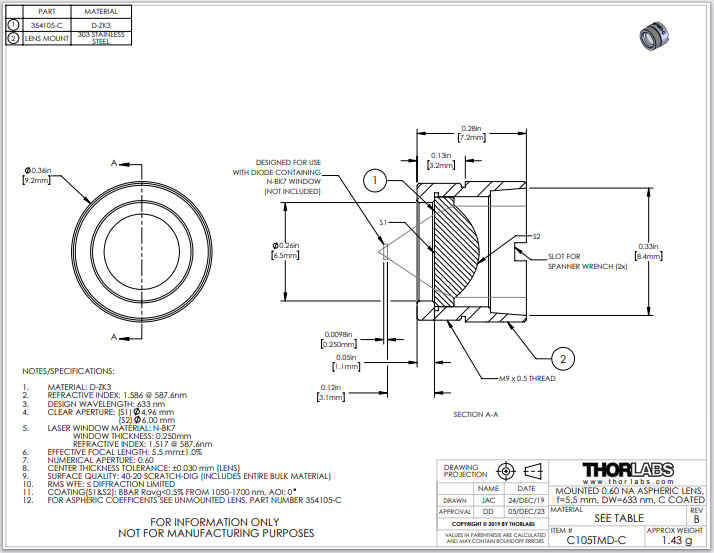
Thorlabs索雷博 C105TMD-C 非球面透镜

Thorlabs索雷博 C105TMD-C 非球面透镜

品牌:Thorlabs索雷博
产品详情



Thorlabs索雷博     C105TMD-C   非球面透镜









电话:0755-83512170;手机:13249819590;QQ:2577758288;邮箱:2577758288@qq.com