深圳市翰磊贸易有限公司

产品分类
KLS
E2V
ORC
CEI
OTS
SMV
CIS
GE
NED
LKK
THK
产品详情
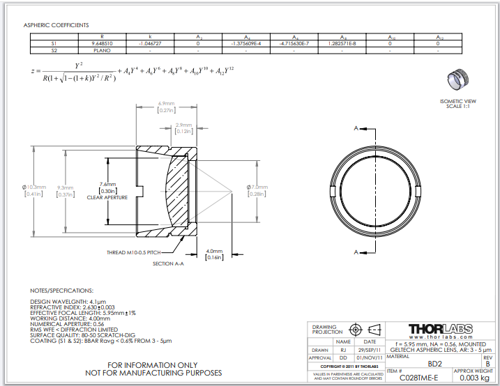
Thorlabs索雷博 C028TME-E 非球面透镜

Thorlabs索雷博 C028TME-E 非球面透镜

品牌:Thorlabs索雷博
产品详情


Thorlabs索雷博     C028TME-E   非球面透镜



通用规格
基材黑钻石2维格06
折射率a2.5 µm 时为 2.630 ± 0.0032.795 ± 0.003 @ 3.5 µm
损坏阈值(典型值)100 W/cm 2   @(1064 nm,CW)b
0.1 J/cm 2 @(1064 nm,10 ns)b
不适用
表面质量
(散装材料)
80-50 划痕-挖坑

热膨胀系数
13.5×10 -6 /℃20.8×10 -6   /℃
热光系数 (Δn / ΔT)91×10 -6 /℃32.1×10 -6   /℃






电话:0755-83512170;手机:13249819590;QQ:2577758288;邮箱:2577758288@qq.com