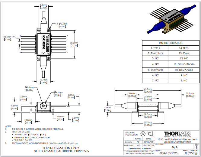
Thorlabs索雷博 BOA1550PXS - 1550 nm偏振相关光学快门/开关
电话:0755-83512170;手机:13249819590;QQ:2577758288;邮箱:2577758288@qq.com