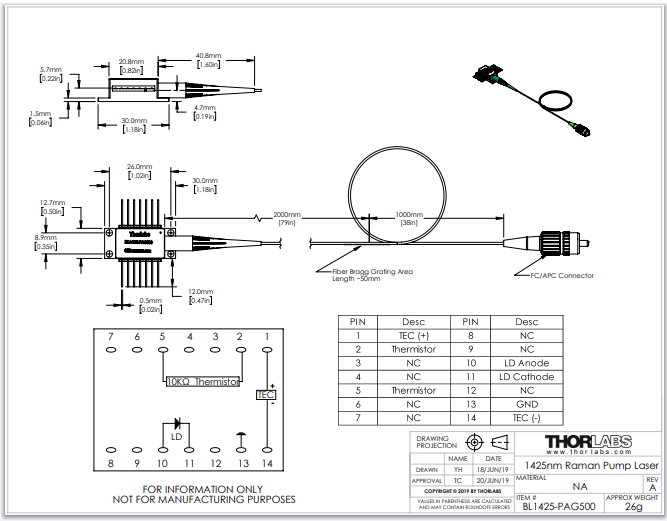
Thorlabs索雷博 BL1425-PAG500 - 光纤布拉格光栅稳定型激光器
电话:0755-83512170;手机:13249819590;QQ:2577758288;邮箱:2577758288@qq.com