深圳市翰磊贸易有限公司

产品分类
KLS
E2V
ORC
CEI
OTS
SMV
CIS
GE
NED
LKK
THK
产品详情
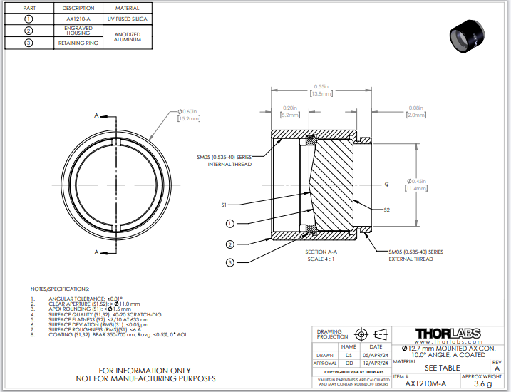
Thorlabs索雷博 AX1210M-A 锥透镜

Thorlabs索雷博 AX1210M-A 锥透镜

品牌:Thorlabs索雷博
产品详情


Thorlabs索雷博     AX1210M-A   锥透镜


通用规格
基材材质紫外熔融石英‍a
直径1/2 英寸(12.7 毫米)1 英寸(25.4 毫米)
直径公差+0.0 / -0.1 毫米
外壳螺纹
(内螺纹和外螺纹)
SM05
(0.535"-40)
SM1
(1.035"-40)
顶点倒圆直径 (S1)< 1.5 毫米
表面质量(S1、S2)40-20 划痕-挖掘
表面平整度(S2)< λ/10(633 nm)
表面偏差 (RMS) (S1)< 0.05 微米
表面粗糙度(RMS)(S1)< 6 埃
通光孔径(S1、S2)> 直径的 80%> 直径的 90%
角度公差±0.01°







电话:0755-83512170;手机:13249819590;QQ:2577758288;邮箱:2577758288@qq.com