深圳市翰磊贸易有限公司

产品分类
KLS
E2V
ORC
CEI
OTS
SMV
CIS
GE
NED
LKK
THK
产品详情
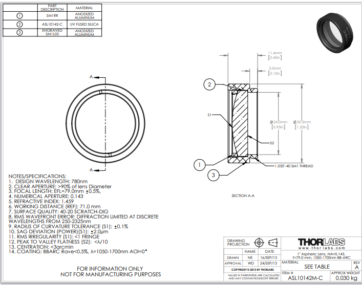
Thorlabs索雷博 ASL10142M-C 非球面透镜

Thorlabs索雷博 ASL10142M-C 非球面透镜

品牌:Thorlabs索雷博
产品详情



Thorlabs索雷博     ASL10142M-C   非球面透镜


常用规格
通光孔径> 直径的 90%
焦距
偏差
±0.5%
垂度偏差±2.0微米

凸面的表面凹凸
< 1 条纹 (RMS)

平面表面平整度
< λ/10(峰谷)
表面质量
20-10 划痕-麻点(无涂层和 V 涂层)
40-20 划痕-麻点(增透膜)
直径1.00"
基材紫外熔融石英




电话:0755-83512170;手机:13249819590;QQ:2577758288;邮箱:2577758288@qq.com