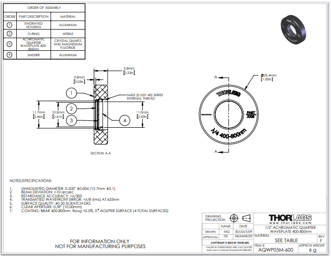
Thorlabs索雷博 AQWP05M-600 - 消色差四分之一波片
电话:0755-83512170;手机:13249819590;QQ:2577758288;邮箱:2577758288@qq.com