深圳市翰磊贸易有限公司

产品分类
KLS
E2V
ORC
CEI
OTS
SMV
CIS
GE
NED
LKK
THK
产品详情
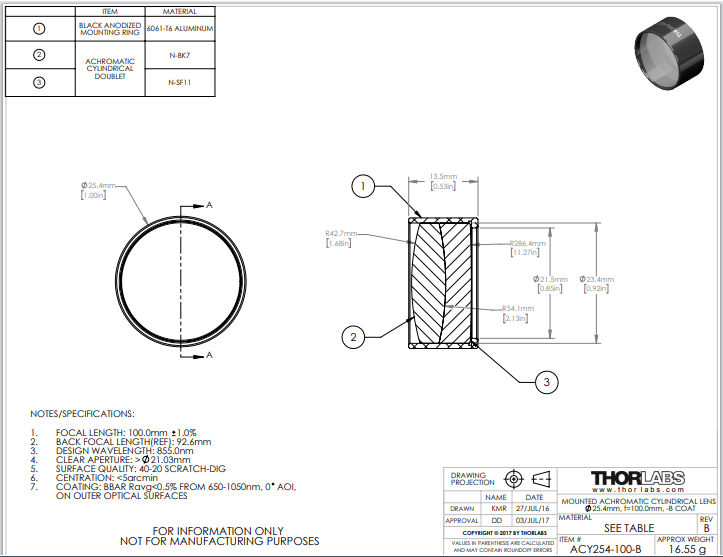
Thorlabs索雷博 ACY254-100-B 柱面消色差透镜

Thorlabs索雷博 ACY254-100-B 柱面消色差透镜

品牌:Thorlabs索雷博
产品详情


Thorlabs索雷博     ACY254-100-B   柱面消色差透镜


一般规格
增透膜范围350 - 700 nm(-A 涂层)
650 - 1050 nm(-B 涂层)
涂层性能R平均值< 0.5%
损坏阈值a-A 涂层:0.50 J/cm 2
(532 nm、10 ns、10 Hz、Ø0.566 mm)
-B 涂层:5 J/cm 2
(810 nm、10 ns、10 Hz、Ø0.155 mm)
直径1"
直径公差+0.00/-0.10 毫米
中心厚度公差±0.10毫米
焦距公差±1%
表面不规则性
(峰到谷)
表面质量40-20(划痕-挖掘)
中心化≤5弧分
通光孔径Ø21毫米
功率容差3 流苏
工作温度-40至85℃






电话:0755-83512170;手机:13249819590;QQ:2577758288;邮箱:2577758288@qq.com