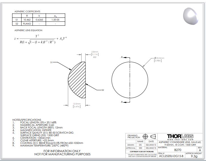
Thorlabs索雷博 ACL2520U-DG15-B 非球面聚光透镜
电话:0755-83512170;手机:13249819590;QQ:2577758288;邮箱:2577758288@qq.com