深圳市翰磊贸易有限公司

产品分类
KLS
E2V
ORC
CEI
OTS
SMV
CIS
GE
NED
LKK
THK
产品详情
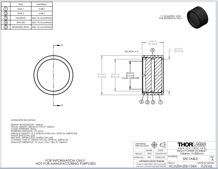
Thorlabs索雷博 ACA254-200-1064 高功率空气间隔双合透镜

Thorlabs索雷博 ACA254-200-1064 高功率空气间隔双合透镜

品牌:Thorlabs索雷博
产品详情



Thorlabs索雷博     ACA254-200-1064   高功率空气间隔双合透镜


一般规格
损坏阈值
(-532 镜头)
10 J/cm 2
(532 nm,Ø0.455 mm,10 ns,10 Hz)
损坏阈值
(-1064 镜头)
10 J/cm 2
(1064 nm, Ø0.455 mm, 10 ns, 10 Hz)
表面质量10-5 划痕-挖坑
(防止高功率源散射)
传输波前误差≤0.07λ(有效值) a
焦距公差±1%
通光孔径Ø18毫米
反射率532 nm 处 R < 0.25%(-532 镜头)或
1064 nm 处 R < 0.25%(-1064 镜头)
住房Ø1" 6061-T6 铝筒




电话:0755-83512170;手机:13249819590;QQ:2577758288;邮箱:2577758288@qq.com