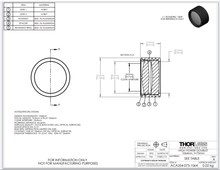
Thorlabs索雷博 ACA254-075-1064 高功率空气间隔双合透镜
电话:0755-83512170;手机:13249819590;QQ:2577758288;邮箱:2577758288@qq.com