深圳市翰磊贸易有限公司

产品分类
KLS
E2V
ORC
CEI
OTS
SMV
CIS
GE
NED
LKK
THK
产品详情
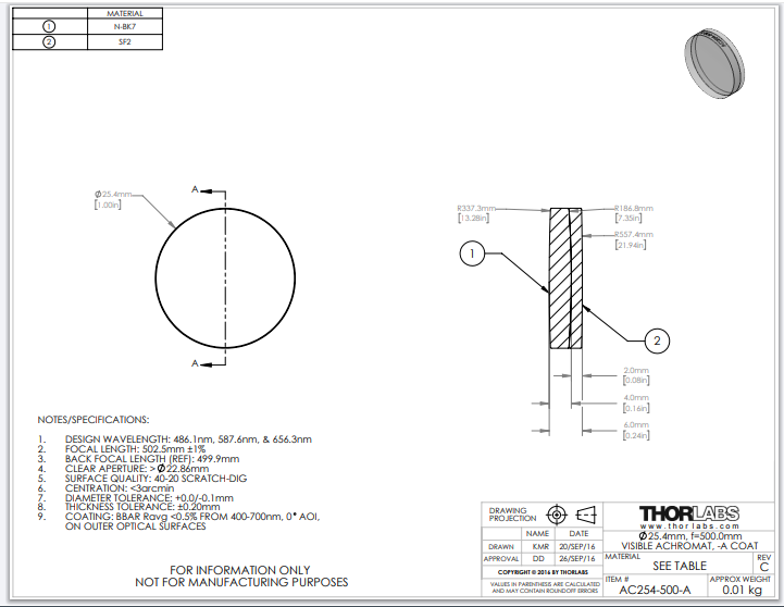
Thorlabs索雷博 AC254-500-A 消色差双胶合透镜

Thorlabs索雷博 AC254-500-A 消色差双胶合透镜

品牌:Thorlabs索雷博
产品详情

Thorlabs索雷博     AC254-500-A   消色差双胶合透镜



一般规格
设计波长486.1 纳米、587.6 纳米和 656.3 纳米
增透膜范围400 - 700 纳米
AR 涂层
范围内的反射率 (0° AOI)
R平均值< 0.5%
可用直径2 毫米、5 毫米、6 毫米、6.35 毫米、
8 毫米、1/2 英寸、1 英寸、30 毫米和 2 英寸
直径公差+0.0 / -0.1毫米
焦距公差±1% b
表面质量40-20 划痕-挖坑c
球面光焦度d,e3升/2
球面不规则度
(峰到谷)e
升/4
中心化< 3 弧分f
通光孔径> 直径的 90%
损伤阈值g脉冲式0.5 J/cm 2
(532 nm,10 ns 脉冲,10 Hz,Ø0.566 mm)
连续波小时300 瓦/厘米(532 纳米,Ø1.000 毫米)
工作温度-40°C 至 85°C








电话:0755-83512170;手机:13249819590;QQ:2577758288;邮箱:2577758288@qq.com