深圳市翰磊贸易有限公司

产品分类
KLS
E2V
ORC
CEI
OTS
SMV
CIS
GE
NED
LKK
THK
产品详情
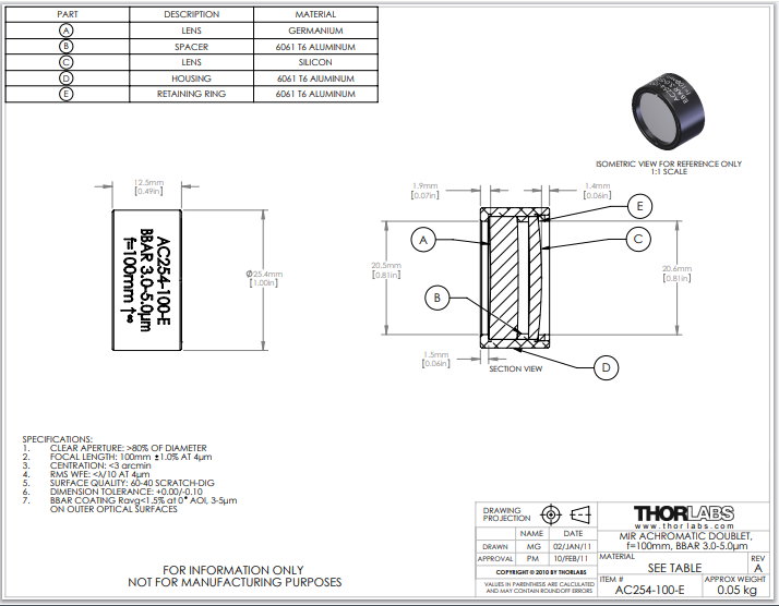
Thorlabs索雷博 AC254-100-E 空气间隔消色差胶合透镜

Thorlabs索雷博 AC254-100-E 空气间隔消色差胶合透镜

品牌:Thorlabs索雷博
产品详情


Thorlabs索雷博     AC254-100-E   空气间隔消色差胶合透镜



通用规格
直径Ø1英寸(Ø25.4毫米)
尺寸公差+0.00/-0.10 毫米
中心化< 3 弧分
通光孔径Ø20毫米
光斑尺寸轴上衍射受限
设计波长3微米、4微米和5微米
增透膜3 至 5 µm 范围内, R平均值< 1.5%,0° AOI
基材硅和锗
焦距公差4 µm 处 ±1%
均方根WFE< λ/10 @ 4 µm
表面质量60-40 划痕-挖坑







电话:0755-83512170;手机:13249819590;QQ:2577758288;邮箱:2577758288@qq.com