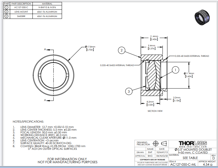
Thorlabs索雷博 AC127-050-C-ML 消色差双胶合透镜
电话:0755-83512170;手机:13249819590;QQ:2577758288;邮箱:2577758288@qq.com