深圳市翰磊贸易有限公司

产品分类
KLS
E2V
ORC
CEI
OTS
SMV
CIS
GE
NED
LKK
THK
产品详情
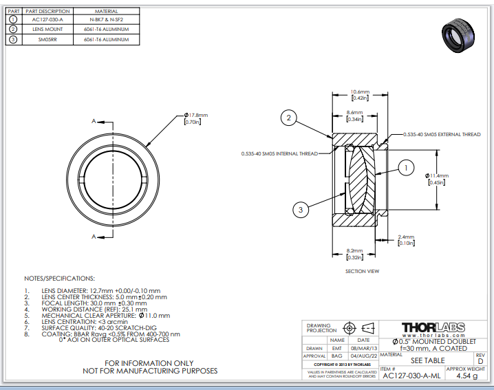
Thorlabs索雷博 AC127-030-A-ML 消色差双胶合透镜

Thorlabs索雷博 AC127-030-A-ML 消色差双胶合透镜

品牌:Thorlabs索雷博
产品详情



Thorlabs索雷博     AC127-030-A-ML   消色差双胶合透镜


一般规格
设计波长486.1纳米、587.6纳米、656.3纳米
增透膜范围400 - 700 纳米
AR 涂层
范围内的反射率 (0° AOI)
R平均值< 0.5%
可用直径5 毫米、6 毫米、6.35 毫米、
8 毫米、1/2 英寸、1 英寸或 2 英寸
直径公差+0.00/-0.10毫米
焦距公差±1%
表面质量40-20 划痕-挖掘
球面光焦度b,c3升/2
球面不规则度
(峰到谷)c
升/4
中心化≤3弧分
通光孔径> 直径的 90%
损伤阈值d脉冲0.5 J/cm 2
(532 nm,10 ns 脉冲,10 Hz,Ø0.566 mm)
连续300 瓦/厘米(532 纳米,Ø1.000 毫米)
工作温度-40°C 至 85°C






电话:0755-83512170;手机:13249819590;QQ:2577758288;邮箱:2577758288@qq.com