深圳市翰磊贸易有限公司

产品分类
KLS
E2V
ORC
CEI
OTS
SMV
CIS
产品详情
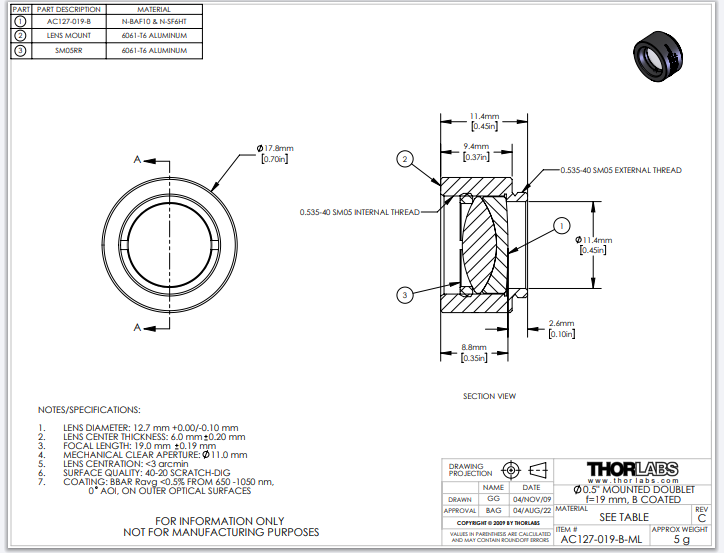
Thorlabs索雷博 AC127-019-B-ML 消色差双胶合透镜

Thorlabs索雷博 AC127-019-B-ML 消色差双胶合透镜

品牌 Thorlabs索雷博
产品详情


Thorlabs索雷博     AC127-019-B-ML   消色差双胶合透镜


一般规格
设计波长706.5 纳米、855 纳米和 1015 纳米
增透膜范围650 - 1050 纳米
AR 涂层
范围内的反射率 (0° AOI)
R平均值< 0.5%
可用直径5 毫米、6 毫米、6.35 毫米、8 毫米、
1/2 英寸、1 英寸和 2 英寸
直径公差+0.00 / -0.10 毫米a,b
焦距公差±1%
表面质量40-20 划痕-挖掘
球面光焦度c3升/2
球面不规则度
(峰到谷)
632.8 nm 处的 λ/4
中心化< 3 弧分d
通光孔径> 直径的 90%
损坏阈值e脉冲5 J/cm 2
(810 nm,10 ns 脉冲,10 Hz,0.155 mm)
连续1000 瓦/厘米(1070 纳米,Ø0.971 毫米)
工作温度-40°C 至 +85°C







电话:0755-83512170;手机:13249819590;QQ:2577758288;邮箱:2577758288@qq.com