深圳市翰磊贸易有限公司

产品分类
KLS
E2V
ORC
CEI
OTS
SMV
CIS
产品详情
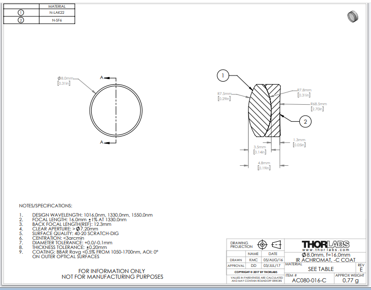
Thorlabs索雷博 AC080-016-C 消色差双胶合透镜

Thorlabs索雷博 AC080-016-C 消色差双胶合透镜

品牌 Thorlabs索雷博
产品详情

Thorlabs索雷博     AC080-016-C   消色差双胶合透镜


一般规格
设计波长1016 纳米、1330 纳米和 1550 纳米
增透膜范围1050 - 1700 纳米
AR 涂层
范围内的反射率 (0° AOI)
R平均值< 0.5%
可用直径2 毫米、5 毫米、6 毫米、6.35 毫米、
8 毫米、1/2 英寸、1 英寸、30 毫米或 2 英寸
直径公差+0.00 / -0.10毫米
焦距公差±1%
表面质量40-20 划痕-挖坑b
球面光焦度c3升/2
球面不规则度
(峰到谷)
升/4
中心化≤3弧分d
通光孔径> 直径的 90%
损坏阈值e脉冲式5.0 J/cm 2
(1542 nm,10 ns 脉冲,10 Hz,Ø0.181 mm)
连续1000 瓦/厘米(1540 纳米,Ø1.030 毫米)
工作温度-40°C 至 85°C








电话:0755-83512170;手机:13249819590;QQ:2577758288;邮箱:2577758288@qq.com