深圳市翰磊贸易有限公司

产品分类
KLS
E2V
ORC
CEI
OTS
SMV
CIS
产品详情
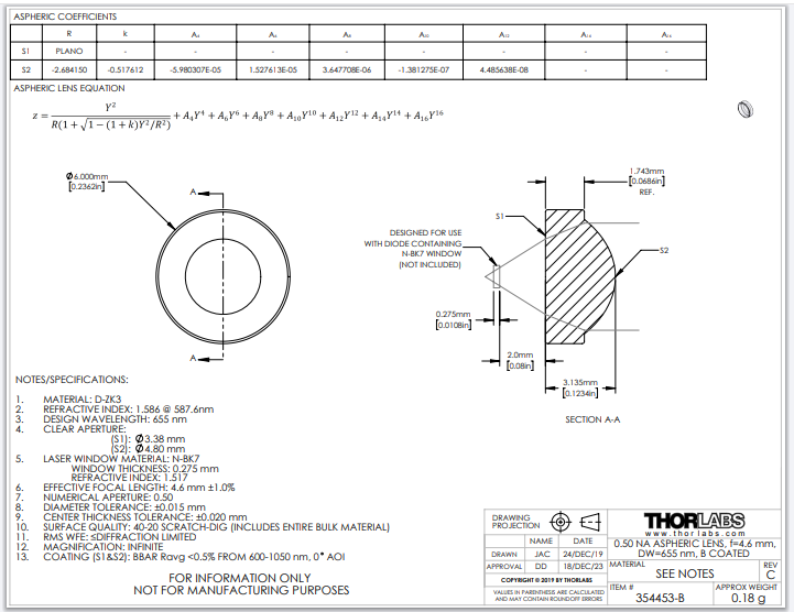
Thorlabs索雷博 354453-B 非球面透镜

Thorlabs索雷博 354453-B 非球面透镜

品牌 Thorlabs索雷博
产品详情

Thorlabs索雷博     354453-B   非球面透镜











电话:0755-83512170;手机:13249819590;QQ:2577758288;邮箱:2577758288@qq.com