深圳市翰磊贸易有限公司

产品分类
KLS
E2V
ORC
CEI
OTS
SMV
CIS
GE
NED
LKK
THK
产品详情
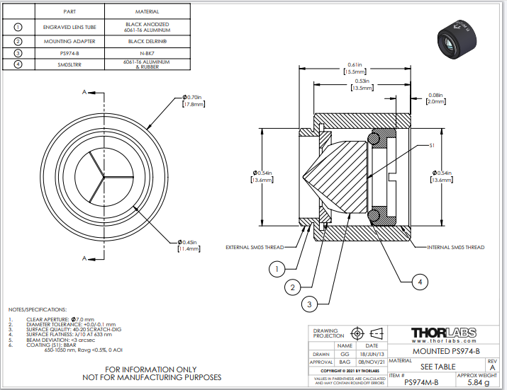
Thorlabs索雷博 PS974M-B TIR回射器

Thorlabs索雷博 PS974M-B TIR回射器

品牌:Thorlabs索雷博
产品详情


Thorlabs索雷博       PS974M-B   TIR回射器


通用规格
棱镜材质N-BK7 A‍精退火
N-BK7传输范围350 - 2000 纳米
增透膜AOI = 0° 时R平均值< 0.5%
棱镜直径公差+0.0 / -0.1 毫米
通光孔径直径的 70%
表面平整度λ/10 @ 633 nm
表面质量40-20 划痕-挖掘
光束偏差b< 3 角秒
设计波长633纳米






电话:0755-83512170;手机:13249819590;QQ:2577758288;邮箱:2577758288@qq.com