深圳市翰磊贸易有限公司

产品分类
KLS
E2V
ORC
CEI
OTS
SMV
CIS
GE
NED
LKK
THK
产品详情
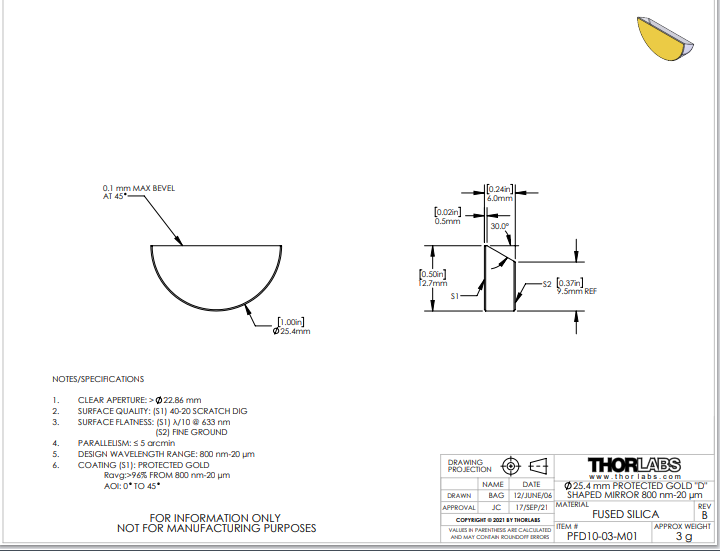
Thorlabs索雷博 PFD10-03-M01 D形反射镜

Thorlabs索雷博 PFD10-03-M01 D形反射镜

品牌:Thorlabs索雷博
产品详情


Thorlabs索雷博       PFD10-03-M01   D形反射镜


金属膜反射镜规格

涂层抗紫外线铝受保护的银超快增强银
物品 #PFD05-03-F01PFD10-03-F01PFD05-03-P01PFD10-03-P01PFD05-03-AGPFD10-03-AG
涂层范围250 - 450 纳米450 纳米 - 20 微米750 - 1000 纳米
直径Ø1/2"Ø1"Ø1/2"Ø1"Ø1/2"Ø1"
直径公差+0.0/-0.1 毫米
厚度6.0毫米±0.2毫米
基材熔融石英
前表面平整度λ/10 @ 633 nm
表面质量40-20 划痕-挖掘
通光孔径> 直径的 90%
反射率250 - 450 nm 范围内R平均值> 90%450 nm - 2 μm 范围内,R平均值> 97% 2 - 20 μm 范围内,
R平均值> 95%
750 nm - 1000 nm 范围内R p > 98.5% 且 R s   > 99%
群延迟色散
(@ 45° AOI)
--S-Pol:|GDD| < 20 fs 2
P-Pol:|GDD| < 30 fs 2
并行性≤5弧分
损坏阈值(脉冲)0.25 J/cm 2 (266 nm, 10 ns, 10 Hz, Ø0.150 mm)
0.3 J/cm 2 (355 nm, 10 ns, 10 Hz, Ø0.381 mm)
0.225 J/cm 2 (800 nm, 99 fs, 1 kHz, Ø0.167 mm)
1 J/cm 2 (1064 nm, 10 ns, 10 Hz, Ø1.010 mm)
0.18 J/cm 2(800 nm,52 fs FWHM,S-Pol,1000 个脉冲)b
0.39 J/cm 2(800 nm,52 fs FWHM,S-Pol,单脉冲)b
损坏阈值 (CW) c300 瓦/厘米(1.064 微米,Ø0.044 毫米)
500 瓦/厘米(10.6 微米,Ø0.339 毫米)
500 瓦/厘米(1.07 微米,Ø0.974 毫米)
1500 瓦/厘米(10.6 微米,Ø0.339 毫米)
-
  • 这些规格在0°和45° AOI之间有效。

  • 对于超快光学元件,激光诱导损伤阈值(LIDT)被定义为一定个数的脉冲后产生可见损伤的能量密度(单脉冲)。LIDT数值在超短脉冲范围是无法保证的。因此,它们只作为一个提供给客户的服务。请在曲线标签查看LIDT随入射脉冲数变化的曲线图。

  • 光束的功率密度应该以W/cm为单位计算。关于为何线性功率密度对长脉冲和CW源提供最佳指标的解释,请参看损伤阈值标签。

涂层受保护的黄金MIR-增强金
物品 #PFD05-03-M01PFD10-03-M01PFD05-03-M02PFD10-03-M02
涂层范围800 纳米 - 20 微米2 - 20 微米
直径Ø1/2"Ø1"Ø1/2"Ø1"
直径公差+0.0/-0.1 毫米
厚度6.0毫米±0.2毫米
基材熔融石英
前表面平整度λ/10 @ 633 nm
表面质量40-20 划痕-挖掘
通光孔径> 直径的 90%
反射率800 nm - 20 μm 范围内R平均值> 96%2 μm - 20 μm 范围内,R avg > 98% a 且 R abs > 95% a
并行性≤5弧分
损坏阈值(脉冲)2 J/cm 2 (1064 nm, 10 ns, 10 Hz, Ø1.000 mm)0.1 J/cm 2 (1.064 µm, 10 ns, 10 Hz, Ø1.06 mm)
3 J/cm 2 (10.6 µm, 100 ns, 1 Hz, Ø1.29 mm)
损坏阈值 (CW) b500 瓦/厘米(1.070 微米,Ø0.089 毫米)
750 瓦/厘米(10.6 微米,Ø0.339 毫米)
25 瓦/厘米(1.07 微米,Ø1.04 毫米)
450 瓦/厘米(10.6 微米,Ø1.18 毫米)
  • 这些规格在0°和45° AOI之间有效。

  • 光束的功率密度应该以W/cm为单位计算。关于为何线性功率密度对长脉冲和CW源提供最佳指标的解释,请参看损伤阈值标签。

宽带介质膜反射镜规格

涂层-E01涂层-E02涂层-E03涂层-E04涂层
物品 #BBD05-E01BBD1-E01BBD05-E02BBD1-E02BBD05-E03BBD1-E03BBD05-E04BBD1-E04
涂层范围350 - 400 纳米400 - 750 纳米750 - 1100 纳米1280 - 1600 纳米
直径Ø1/2"Ø1"Ø1/2"Ø1"Ø1/2"Ø1"Ø1/2"Ø1"
直径公差+0.0/-0.1 毫米+0.0/-0.2 毫米+0.0/-0.1 毫米
厚度6.0毫米
基材熔融石英
前表面平整度λ/10 @ 633 nm
表面质量10-5 划痕-挖掘
通光孔径> 直径的 90%
反射率
(0° - 45° 的 P 和 S 偏振)
350 - 400 nm 范围内R平均值> 99%400 - 750 nm 范围内R平均值> 99%750 - 1100 nm 范围内R平均值> 99%1280 - 1600 nm 范围内R平均值 > 99%
并行性≤5弧分
损坏阈值(脉冲)1 J/cm 2
(355 nm,10 ns,10 Hz,Ø0.373 mm)
0.25 J/cm 2
(532 nm, 10 ns, 10 Hz, Ø0.803 mm)
0.205 J/cm 2
(800 nm, 99 fs, 1 kHz, Ø0.166 mm),
1 J/cm 2
(810 nm, 10 ns, 10 Hz, Ø0.133 mm),
0.5 J/cm 2
(1064 nm) ,10 纳秒,10 赫兹,Ø0.433 毫米)
2.5 J/cm 2
(1542 nm, 10 ns, 10 Hz, Ø0.181 mm)
损坏阈值 (CW) a-550 瓦/厘米(532 纳米,Ø1.000 毫米)10 千瓦/厘米(1070 纳米,Ø0.971 毫米)350 瓦/厘米(1540 纳米,Ø1.030 毫米)
  • 规定的损伤阈值是一种认证测量,而不是真实的损伤阈值(也就是光学元件在没有损伤的情况下能够承受的最大输出)。






电话:0755-83512170;手机:13249819590;QQ:2577758288;邮箱:2577758288@qq.com