深圳市翰磊贸易有限公司

产品分类
KLS
E2V
ORC
CEI
OTS
SMV
CIS
产品详情
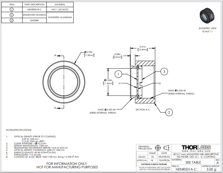
Thorlabs索雷博 NENIR501A-C 中性密度滤光片

Thorlabs索雷博 NENIR501A-C 中性密度滤光片

品牌 Thorlabs索雷博
产品详情


Thorlabs索雷博       NENIR501A-C   中性密度滤光片






电话:0755-83512170;手机:13249819590;QQ:2577758288;邮箱:2577758288@qq.com