深圳市翰磊贸易有限公司

产品分类
KLS
E2V
ORC
CEI
OTS
SMV
CIS
GE
NED
LKK
THK
产品详情
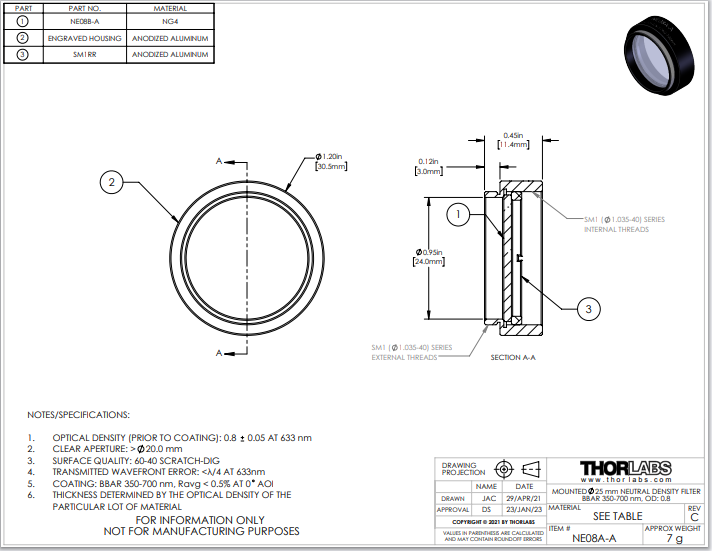
Thorlabs索雷博 NE08A-A Ø25 mm镀增透膜的吸收型中性密度滤光片

Thorlabs索雷博 NE08A-A Ø25 mm镀增透膜的吸收型中性密度滤光片

品牌:Thorlabs索雷博
产品详情


Thorlabs索雷博       NE08A-A   Ø25 mm镀增透膜的吸收型中性密度滤光片









电话:0755-83512170;手机:13249819590;QQ:2577758288;邮箱:2577758288@qq.com