深圳市翰磊贸易有限公司

产品分类
KLS
E2V
ORC
CEI
OTS
SMV
CIS
GE
NED
LKK
THK
产品详情
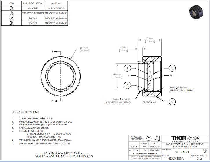
Thorlabs索雷博 NDUV509A 反射型中性密度滤光片

Thorlabs索雷博 NDUV509A 反射型中性密度滤光片

品牌:Thorlabs索雷博
产品详情



Thorlabs索雷博       NDUV509A   反射型中性密度滤光片






电话:0755-83512170;手机:13249819590;QQ:2577758288;邮箱:2577758288@qq.com