深圳市翰磊贸易有限公司

产品分类
KLS
E2V
ORC
CEI
OTS
SMV
CIS
产品详情
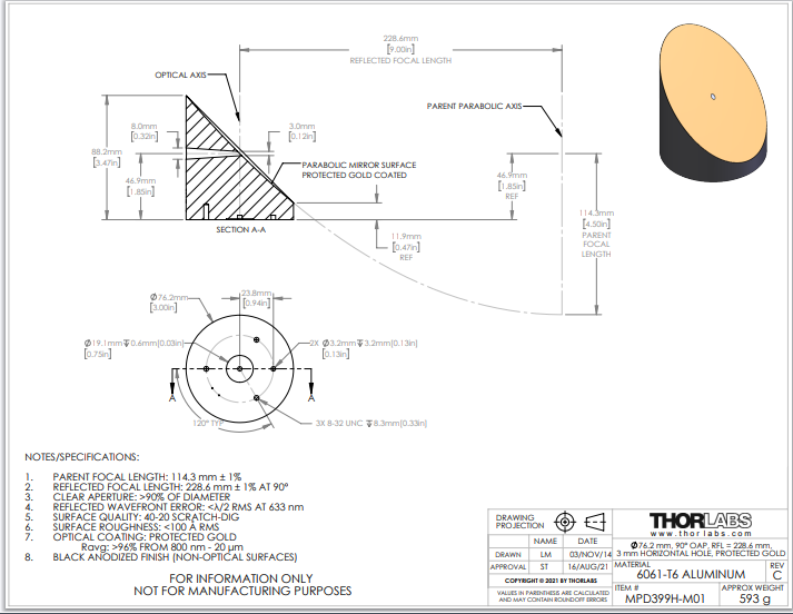
Thorlabs索雷博 MPD399H-M01 90°离轴抛物面反射镜

Thorlabs索雷博 MPD399H-M01 90°离轴抛物面反射镜

品牌 Thorlabs索雷博
产品详情


Thorlabs索雷博       MPD399H-M01   90°离轴抛物面反射镜


通用规格
金属涂层受保护的黄金
反射率(平均)>96% 从 800 nm 到 20 µm
离轴角90°
通光孔径>直径a的 90% ,不包括孔
表面粗糙度(RMS)< 100 埃
表面质量40-20 划痕-挖掘
父级焦距公差±1%
反射焦距公差±1%
安装孔b8-32 个径向丝锥(3 个位置)
基材
制造流程钻石车削





电话:0755-83512170;手机:13249819590;QQ:2577758288;邮箱:2577758288@qq.com