深圳市翰磊贸易有限公司

产品分类
KLS
E2V
ORC
CEI
OTS
SMV
CIS
产品详情
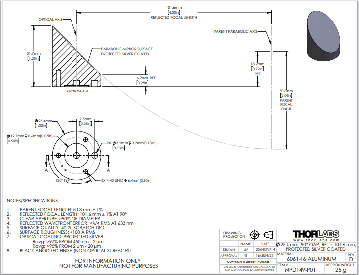
Thorlabs索雷博 MPD149-P01 90°离轴抛物面反射镜

Thorlabs索雷博 MPD149-P01 90°离轴抛物面反射镜

品牌 Thorlabs索雷博
产品详情

Thorlabs索雷博       MPD149-P01   90°离轴抛物面反射镜






电话:0755-83512170;手机:13249819590;QQ:2577758288;邮箱:2577758288@qq.com