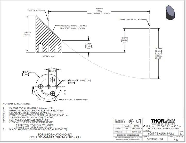
Thorlabs索雷博 MPD029-P01 90°离轴抛物面反射镜
电话:0755-83512170;手机:13249819590;QQ:2577758288;邮箱:2577758288@qq.com